
dc電源插座的應用十分的廣泛,不僅涉及影音產品、數碼產品、遙控器、通訊產品,還廣泛使用于家用電器、安防產品、玩具、電腦產品、健身器材以及醫療器材中。我們都知道dc電源插座規格類型很多,每一種型號都有不同的功能,那您是否知道dc-005插座呢?對dc-005插座您又有多少了解,下面就由小編來為大家詳細介紹一下dc-005插座吧!
DC插座DC-005

產品介紹:
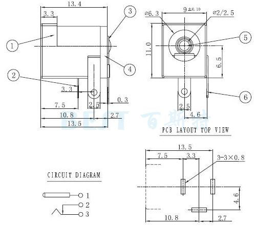
DC插座DC-005一般主要應用于家用電器、電腦、電視機、微波爐、電子設備等產品中。它的額定值是DC30V0.5A,插入力度為3至20N,是屬于插件DC電源插座。它的使用壽命一般為5000次左右。孔徑尺寸是6.4mm,針芯直徑為2.0/2.5,是具有3個插腳的。
基本參數:
絕緣電阻:≥100MΩ
壽命:5000次
DC插座DC-005參考圖紙
耐壓力:AC500V(50Hz)/min
單位:mm
接觸電阻:≤0.03Ω
額定值:DC 30V 0.5A
插入力度:3~20N

目前電子市場當中,dc-005插座是銷售非常熱門的一款插座元件,它在各行業領域當中的需求也是非常巨大的。我們都知道dc005插座系列中區分的規格眾多,每種規格不一的插座,其功能特性上的區別都是有很大差異的。所以在使用時,我建議大家要選用匹配的型號,以免發生安全隱患。以上就是我對dc005插座的介紹,現在是否對它有了更深一步的了解了呢!

Copyright © 廣東精密龍電子科技有限公司 版權所有 粵ICP備17035144號 粵公網安備44130202001184號
全國服務電話:0755-83205533 傳真:0755-83761155
公司地址:深圳市龍崗區龍崗大道8288號深圳大運軟件小鎮45棟2樓

