


輕觸開關TS-1187C產品簡介
輕觸開關TS-1187C屬于貼片型輕觸開關,尺寸為4*4輕觸開關,類型包裝可分為編帶包裝和膠帶包裝,可以過回流焊接,高密度貼裝的表面貼裝。多適用于數碼,安防,玩具,通訊器材,家用電器等產品。輕觸開關TS-1187C通過ROHS和ISO9001質量認證。
輕觸開關TS-1187C技術參數
環(huán)境溫度:-20度~ 70度
保存溫度:-30度-80度
額定電負荷:DC12V 50MA
接觸電阻:≤50MΩ
絕緣電阻:≥100MΩ
耐電壓:AC250V.50HZ/1min
輕觸開關壽命:300000次
驅動力:260±50GF
行程:0.2mm±0.05mm
回復力:50GF min
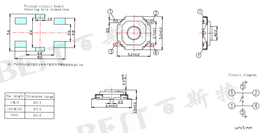
輕觸開關TS-1187C參考圖紙


Copyright © 廣東精密龍電子科技有限公司 版權所有 粵ICP備17035144號 粵公網安備44130202001184號
全國服務電話:0755-83205533 傳真:0755-83761155
公司地址:深圳市龍崗區(qū)龍崗大道8288號深圳大運軟件小鎮(zhèn)45棟2樓

