
輕觸開關一般對于規格的分類上比較眾多,如常用的開關規格有輕觸開關6x6、8x8、12x12等。那么大家是否對6x6規格的開關有全面的了解呢?如輕觸開關6x6的特點及性能如何,其開關的使用壽命?以至于應用于什么場景使用等等,猜想若非具備一定相關經驗的采購人員,想必你們也是不了解的較少吧,那接著由精密龍廠家詳細給大家講解輕觸開關6x6規格有哪些以及性能分析。
輕觸開關TS-1109產品介紹

輕觸開關TS-1109,市上稱之為6*6開關,塑膠的長寬有兩種尺寸:6*6/6.2/6.2,腳距是一樣的。高度H有:4.3/4.5/5/5.5/6/6.5-25mm不等,H越高價格也越高,柄太高容易晃動,很容易掉柄,質量不穩定。
輕觸開關TS-1109技術參數
保存溫度范圍:-30℃~80℃
使用范圍溫度:-20℃~80℃
絕緣電阻:≥100 MΩ
額定值:DC 12V 50mA
接觸電阻:≤30mΩ
機械性能
驅動力:160±30gf ,250±30gf,180±30gf
按鈕行程:0.25±0.1mm
機械壽命:5-30萬次
可焊性:超過75%的錫焊面積被焊料所覆蓋
回彈力度:50gf min
應用范圍:音響、學習機、萬能充電器、電話機、家用電器、子玩具、收錄機、通信產品及電腦周邊產業。
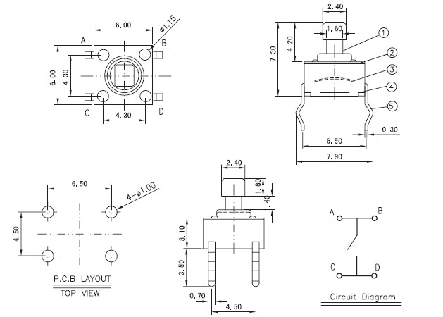
輕觸開關TS-1109參考圖紙

輕觸開關TS-1109E產品介紹

TS-1109E是6*6輕觸開關,H:4.3/5/5.5-9;力度:100g/120g/160g/250g,柄不耐高溫,支持以手工焊接的方式與波峰焊。
輕觸開關TS-1109E技術參數
使用范圍溫度:-20℃~80℃
額定值:DC 12V 50mA
絕緣電阻:≥100 MΩ
接觸電阻:≤30mΩ
應用范圍:音響、學習機、萬能充電器、電話機、家用電器、子玩具、收錄機、通信產品及電腦周邊產業。
輕觸開關TS-1109E參考圖紙

輕觸開關TS-1109W產品介紹
輕觸開關TS-1109W技術參數
額定值:DC 12V 50mA
接觸電阻:≤30mΩ
使用范圍溫度:-20℃~80℃
絕緣電阻:≥100 MΩ
應用范圍:音響、學習機、萬能充電器、電話機、家用電器、子玩具、收錄機、通信產品及電腦周邊產業。
輕觸開關TS-1109W參考圖紙

輕觸開關TS-1109B產品介紹

TS-1109B是6*6輕觸開關,高度是固定的,按鍵頭尺寸是2.4*2.4,按鍵力度有160g/250g,也屬于環保型規格輕觸開關。
輕觸開關TS-1109B技術參數
使用范圍溫度:-20℃~80℃
接觸電阻:≤30mΩ
絕緣電阻:≥100 MΩ
額定值:DC 12V 50mA
應用范圍:音響、學習機、萬能充電器、電話機、家用電器、子玩具、收錄機、通信產品及電腦周邊產業。
輕觸開關TS-1109B參考圖紙

由于開關的規格型號眾多,而且型號不同的,對于性能上也是有所差異的,以上所介紹的幾款輕觸開關6x6的規格都是比較使用。記得回顧之前也是有給各位解析過關于記得回顧之前也是有給各位解析過關于6*6防水輕觸開關的運作原理及使用注意事項等知識點。那么若是有需具體了解輕觸開關的價格,可以在線咨詢我們的客服人員詳談。

Copyright © 廣東精密龍電子科技有限公司 版權所有 粵ICP備17035144號 粵公網安備44130202001184號
全國服務電話:0755-83205533 傳真:0755-83761155
公司地址:深圳市龍崗區龍崗大道8288號深圳大運軟件小鎮45棟2樓

