
輕觸開關在選型時,商家一般都會詢問大家需要開關規格多少的,如輕觸開關4x4、輕觸開關6x6、輕觸開關12x12等規格。而且規格不同的開關,對于功能上也都時有所差異的。那么大家對于輕觸開關12x12規格的開關是否有具體的了解和認識呢?如12x12的開關有什么特點,性能怎么樣,其次用途應用在哪些領域?不知道的話,以下就由小編給你們講關于幾款常用的輕觸開關12x12的相關產品解說。
產品介紹
輕觸開關是一種按鍵電子開關,是由:嵌件、基座、按鈕、彈片、蓋板等組成。使用開關是只要輕輕點擊開關按鈕就可以使開關接通,當松開手時開關也即為斷開,其實這一般都是依靠開關內部結構的金屬彈片受力的感應從而實現接通以及斷開的功能。而且也是由于輕觸開關的接觸電阻小,按動手感好,一般在家用電器領域尤為廣泛使用。
輕觸開關結構圖
輕觸開關TS-1103W(規格:12x12)
輕觸開關TS-1103W技術參數:
使用范圍溫度:-20℃~80℃
額定值:DC 12V 50mA
接觸電阻:≤30mΩ
絕緣電阻:≥100 MΩ
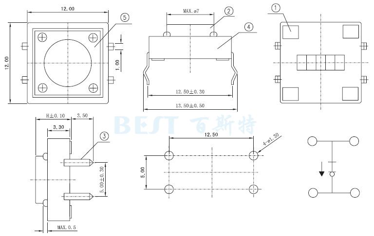
輕觸開關TS-1103W參考圖紙

輕觸開關TS-1103(規格:12x12)

輕觸開關TS-1103技術參數:
使用范圍溫度:-20℃~70℃
接觸電阻:≤50mΩ
絕緣電阻:≥100 MΩ
保存溫度范圍:-30℃~80℃
額定值:DC 12V 50mA
輕觸開關TS-1103參考圖紙

適用范圍
1.影音產品:MP3、MP4、 DVD、音響等;
2.數碼產品:數碼相機、數碼攝像機等;
3.遙控器:車輛、點卷□、家庭防盜產品之遙控器;
4.通訊產品:手機、電話機、樓宇設備、車載話機、PDA等;
5.家用電器:微波爐、電飯煲、電視機、電風扇、電子砰等;
6.安防產品:可講機、監視器等;
以上關于輕觸開關12x12相關產品介紹就說這,相信各位應該對輕觸開關12x12的用途,性能特點等知識都有大致的了解了吧。除此之外,精密龍廠家還提供大量的電位器、可調電阻、DC插座等各種電子元器件供應,如有相關產品的需求,可以在線咨詢我們的工作人員。

Copyright © 廣東精密龍電子科技有限公司 版權所有 粵ICP備17035144號 粵公網安備44130202001184號
全國服務電話:0755-83205533 傳真:0755-83761155
公司地址:深圳市龍崗區龍崗大道8288號深圳大運軟件小鎮45棟2樓

